Product Center
产品中心
BY1644
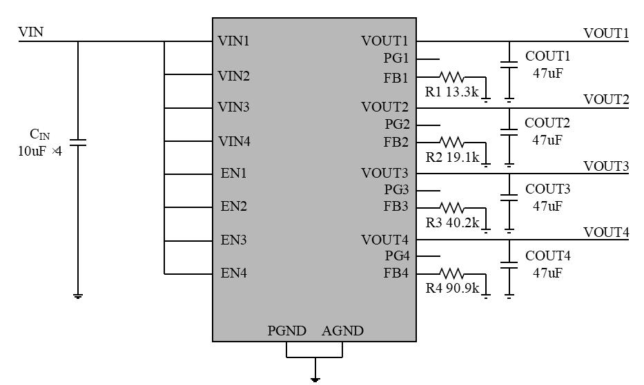
BY1644 是 18V 输入,4 路输出的磁集成降压电源系 统芯片。该芯片采用 BGA-77 封装,每路可输出 5A 持续电流,并保持良好的负载调整率和线性调制率。
BY1644 内置自动补偿,无需外部补偿。输出电压从
0.6V 到 5.5V 可调,且仅需通过一个电阻调整。
BY1644 采用恒定开通时间的控制方式实现快速瞬态 响应并保持良好的环路稳定性。
BY1644 具有完整的保护措施包括 OCP,SCP 以及欠 压,过压保护和过温关机保护等。
在线咨询 获取数据手册,请电话或邮件咨询
应用方向
通讯系统
服务器与数据中心
工业与医疗系统
PoLs 供电
产品特性
宽电压输入范围 4.5V~18V
可调输出电压范围 0.6V~5.5V
4 路输出:每路 5A 输出电流(60℃环温);
每路 4A 输出电流(85℃环温)
内置软起动时间 2.8ms
全负载范围内固定开关频率实现低纹波
预偏置启动
恒定开通时间的控制方式,无需外部补偿
使能和电源工作状态指示功能
OVP,UVP,OCP,SCP 和 OTP
BGA-77(9mm×15mm×5mm) 封装

