Product Center
产品中心
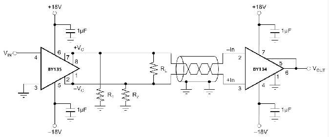
BY135
BY135型音频平衡线性驱动器支持单端输入转全差分输出,有优秀的AC交流性能。工作模式下仅0.035%的谐波失真和高达15V/us的压摆率可在处理大多数音频信号且不失真。BY135内部具有高精度的电阻,能够提供准确的增益和优良的输出共模抑制。同时具有高的输出摆幅和高输出驱动电容的能力。能够联合INA134或者INA137使用且完整无损耗的传输模拟音频信号。其主要应用于音频领域,在低失真Hi-Fi音响设备以及电信系统等均可应用。在线咨询
获取数据手册,请电话或邮件咨询
应用方向
音频差分线驱动器
音频混合控制台
分离式放大器
电信系统
图像化均衡器
动态范围处理器
数字效果处理器
产品特性
功能特征:支持单端信号转化为全差分输出模式
性能特征:极低的THD+N:小于0.035%
高的压摆率:大于20V/us
外形特征:封装形式采用SOP8,外形尺寸为6mm*4.9mm
环境适应性:工作电压为±5~±18V,工作温度在-55~125℃

