2023.09.26
董事长受邀出席陈星弼院士雕像落成揭幕仪式
2023年9月26日 公司董事长作为陈老师的博士生,受邀参加电子科技大学陈星弼院士雕像落成揭幕仪式。陈老师是一位老科学家,一直工作到88岁,他常教导我们,要用科学改变人类的生活,要不断探索,去获取人生价值,令人尊敬!我们本原聚能需要传承这样的精神。
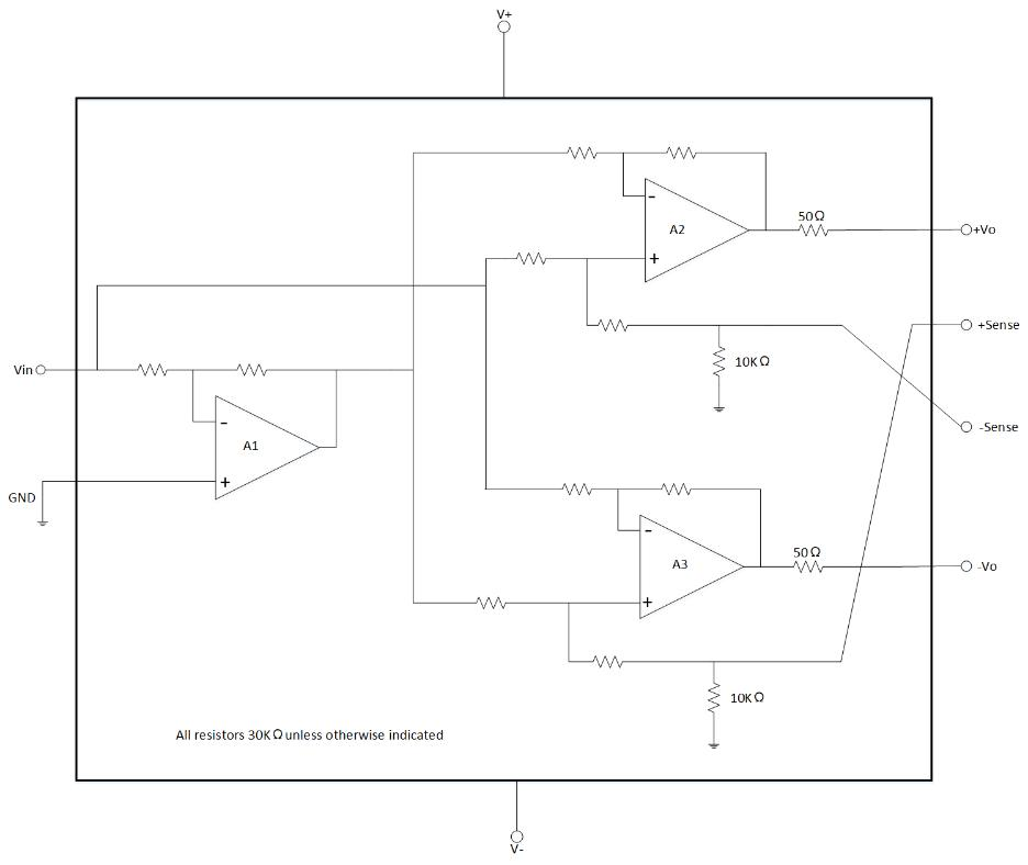
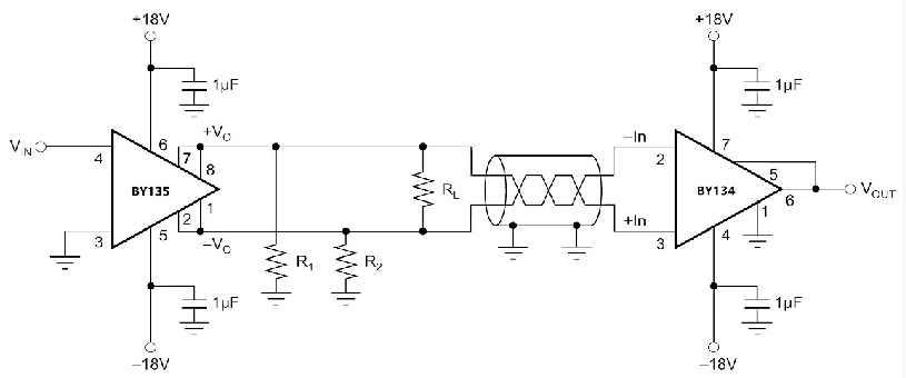
BY134是一款是由高性能运放和精密片上电阻组成的差分线接收器,它拥有出色的AC特性,总谐波失真小于0.07%在1KHz,压摆率高达14V/uS,确保高动态响应,专用于高性能音频应用。
功能框图如下:
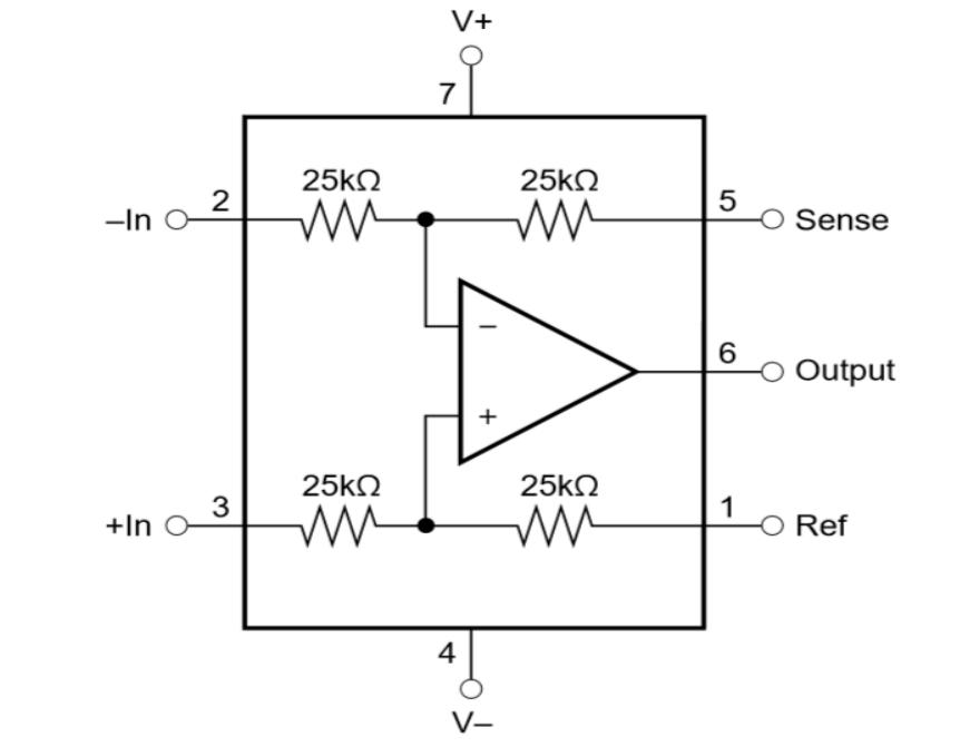
BY135型音频平衡线性驱动器支持单端输入转全差分输出,有优秀的AC交流性能。工作模式下仅0.035%的谐波失真和高达15V/us的压摆率可在处理大多数音频信号且不失真。BY135内部具有高精度的电阻,能够提供准确的增益和优良的输出共模抑制。同时具有高的输出摆幅和高输出驱动电容的能力。能够联合INA134或者INA137使用且完整无损耗的传输模拟音频信号。其主要应用于音频领域,在低失真Hi-Fi音响设备以及电信系统等均可应用。
功能框图如下:
两款产品可应用于:音频差分线驱动器、音频混合控制台等领域。
具体应用方式如下:
详情请见产品页详情。
2023年9月26日 公司董事长作为陈老师的博士生,受邀参加电子科技大学陈星弼院士雕像落成揭幕仪式。陈老师是一位老科学家,一直工作到88岁,他常教导我们,要用科学改变人类的生活,要不断探索,去获取人生价值,令人尊敬!我们本原聚能需要传承这样的精神。
2023年1月30日成都本原聚能科技有限公司推出两款接口类产品,其主要应用领域为音频差分线驱动器、音频混合控制台、分离式放大器、电信系统。 目前两款产品已投入量产,欢迎大家前来订购!
2022年7月23日,成都本原聚能科技有限公司重磅推出电源产品16系列,该系列产品性能极佳,具有以下优点: 1、体积小、效率高,最高可达96% 2、3D封装功率密度高、散热效果好 3、易使用,外围简单 4、高可靠性 5、EMI性能好 6、高温降额小 7、完善的保护功能(过压、过流、短路、过温、欠压)
2022年9月,成都本原聚能科技有限公司推出传感器系列产品,包含MEMS加速度计、霍尔器件等。 该系列产品由业界大牛带领团队研发,耗时一年终于上线,一经推出,收到广大客户好评!